DOi:10.16111/j.0258_7106.2016.06.010
刚果(布)布谷马西钾盐矿床盐类矿物特征与成因研究
(1 中国地质大学地球科学与资源学院, 北京100083; 2 中国地质科学院矿产资源研究 所, 北京100037)
第一作者简介范美玲, 女, 1989年生, 硕士研究生, 地理学专业。 Email: fanmeili ng2014@foxmail.com **通讯作者刘成林, 男, 1963年生, 研究员, 主要从事沉积矿床研究工作。 Email: liuchengl@263.net
收稿日期2016_08_23;
改回日期2016_09_30
本文受到国家重点基础研究发展计划“973”项目(编号: 2011CB403007)和深圳中航资源 有限公司共同资助
摘要:刚果(布)布谷马西钾盐矿床位于非洲大陆西部边缘,是白垩纪时期 沉积的大型 钾盐矿床。文章运用X射线衍射、薄片鉴定、扫描电镜和岩石地球化学等方法,识别出布谷 马西 钾盐矿的主要盐类矿物有硬石膏、石盐、光卤石、钾石盐、水氯镁石和溢晶石。盐类矿物的 沉 积顺序为:硬石膏→石盐→光卤石→钾石盐→水氯镁石或溢晶石。该矿区的成盐物质主要来 源于海水,盐类沉积物中贫碳酸盐和硫酸盐矿物,可能与白垩纪“方解石海”的海水成分密 切相关。矿区中的钾石盐主要是由光卤石淋滤形成。
关键词:
地质学;白垩纪;钾石盐;钾盐矿;布谷马西;刚果(布)
文章编号: 0258_7106 (2016) 06_1257_12 中图分类号: P619.21+1 文献标志码:A
Salt mineral characteristics and genesis of Mboukoumassi potash deposit
in the Republic of Congo
in the Republic of Congo
(1 China University of Geosciences, Beijing 100083, China; 2 Institute of Minera l Resources, Chinese Academy of Geological Sciences, Beijing 100037, China)
Abstract:The Cretaceous Mboukoumassi potash deposit in the Republic of Congo is a larg e potash deposit on the West African continental margin. The main mineral specie s in Mboukoumassi include anhydrite, halite, carnallite, sylvite, bischofit e and tachydrite, as revealed by means of X_ray diffraction, thin section identi fication, SEM and geochemical analysis of rock in this paper. The formation of s alt minerals is in order of anhydrite→halite salt→carnallite→sylvite→bis chofite or tachydrite. Salt materials of this potash deposit were mainly derived from the Cretaceous seawater and thus salt mineral species characterized by min or carbonate and sulfate might have been closely related to the Cretaceous “cal cite sea". Sylvite in the mining area was formed by leaching of carnallite.
Key words:
geology, Cretaceous, sylvite, potash deposit, Mboukoumassi, t he Republic of Congo
西非边缘自北向南分布4个盆地:喀麦隆(Douala)盆地、加蓬(Gabon)盆地、刚果(Cong o)盆地和安哥拉(Cuanza)盆地,其中只有加蓬和刚果盆地有钾盐沉积(曲懿华等,1994 )。加蓬和刚果盆地属于巨型钾盐沉积盆地规模,资源量约为几十亿吨(曲懿华等,1994) ,其中刚果盆地内光卤石资源量约8000亿吨(曹烨等,2015)。目前,钾盐资源在中国属于 紧缺矿产资源,走出国门找钾已成为趋势。
前人对刚果盆地盐类矿物特征以及矿床成因进行过研究(Ruiter,1979;曲懿华,1982;曲 懿华等,1994;宫述林,2012;栾元滇,2012)。本文在前人研究的基础上,通过对刚果( 布)布谷马西钾盐矿ZK142钻孔的盐类矿物特征和岩石地球化学特征分析,与前人研究成果 对比,进一步梳理盐类矿物特征,在此基础上对矿床成因进行分析,为今后的开发和勘探钾 石盐矿层提供更多的科学依据。
(1) 前裂谷沉积时期,西非构造稳定,以隆升剥蚀作用为主,局部接受拗陷型沉积,盆地 发育三叠系—中侏罗统(T—J2)的陆相碎屑岩沉积,属于可可毕其(Cocobeach)群;
(2) 裂谷沉积时期,从南到北形成一系列裂陷盆地,盆地内发育北西向断裂和断陷,沉积 相从河流相沉积过渡到厚层湖相三角洲及页岩沉积;
(3) 后裂谷沉积时期,裂陷盆地准平原化,在阿普特期沿大陆边缘逐渐下沉,盆地与海水 有了联系,在陆相和海陆相过渡地层之上形成巨厚的海相蒸发岩沉积,形成刚果钾盐盆地( Ruiter, 1979;曲懿华等,1994;刘剑平等,2007;刘祚冬等,2009)。
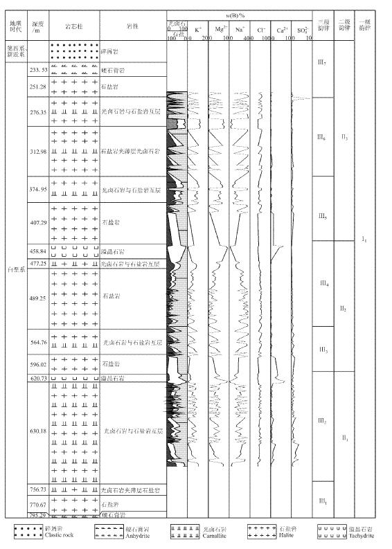
布谷马西钾盐矿地理范围为东经11°49′32.8″~11°57′36″,南纬4°21′46.66″~ 4°31′43″,面积为141 km2。区域内出露地层有古元古界、中元古界、白垩系、新近系 、第四系,ZK142钻孔位于矿区南部(图1)。白垩系阿普特阶含盐类沉 积序列自下而上表现为:基底硬石膏层—下盐层(石盐—石盐与光卤石互层—溢晶石)—中 盐层(石盐—石盐与光卤石互层—石盐—石盐与光卤石互层—溢晶石)—上盐层(石盐—石 盐与光卤石互层_石盐)—顶板硬石膏层(图2),构成完整的蒸发岩沉积韵律。根据沉积韵 律的划分原则,布谷马西钾盐矿ZK142钻孔划分出7个三级沉积韵律、3个二级和1个一级沉积 韵律(图2 ),Ⅱ1沉积韵律为硬石膏(微咸)→石盐(咸)→光卤石(超咸)→溢晶石(巨咸), Ⅱ2沉积韵律为石盐(咸)→光卤石(超咸)→石盐(咸)→光卤石(超咸)→溢晶石( 巨咸),Ⅱ3沉积韵律为石盐(咸)→光卤石(超咸)→石盐(咸)→光卤石(超咸)→ 石盐(咸)→硬 石膏(微咸)→碎屑岩(淡);Ⅲ1沉积韵律为硬石膏(微咸)→石盐(咸)→光卤石( 超 咸),Ⅲ2沉积韵律为石盐(咸)→光卤石(超咸)→溢晶石(巨咸),Ⅲ3沉积韵律为 石盐(咸)→光卤石(超咸),Ⅲ4沉积韵律为石盐(咸)→光卤石(超咸)→溢晶石( 巨咸),Ⅲ5沉积韵律为石盐(咸)→光卤石(超咸),Ⅲ6沉积韵律为石盐(咸)→光 卤石(超咸),Ⅲ7沉积韵律为石盐(咸)→硬石膏(微咸)→碎屑岩(淡)。
将岩芯柱沿直径切割,一分为二,采集不同岩性交接处的样品,将样品磨至粒度为200目的 粉末。在北达燕园微构分析测试中心完成粉末X射线分析,仪器型号为日本理学G/max/RA12 KW 旋转阳极X射线衍射仪,测试条件:电压为40 kV,电流为100 mA,转靶Cu靶,扫描角度2θ 为3~70°,扫描步长为8°/min,采样步宽0.02°,扫描方式为连续扫描,确定主要矿物 类型。
为保证扫描电镜分析结果的准确性,制样时选取代表性强的样品,分析断面新鲜且保持原始 较平坦状态;然后,将选好的大小约4~6 mm样品用导电性好的粘合剂粘在薄片上并喷碳。 由 中国地质科学院地质所完成扫描电镜(SEM)和能谱(EDS)分析,扫描电镜为日本电子公司 (JEOL)JSM-5610LV型,电子束电压20 kV,焦距20 mm,束斑大小41 nm;EDS能谱采用的 是英国牛津公司(OXFORD)INCA软件包版本4.4。
将样品研磨至约200目的粉末,碳酸盐和石膏岩采用酸溶法,称取1 g样品放入烧杯中,然后 加入5% 稀盐酸10 ml加热至沸腾,在加热板上120℃保 温2小时,最后定容至100 ml;石盐和光卤石采用水溶法,称取1 g样品放入烧杯中,最后定容至100 ml。 由中国地质科学院矿产资源研究所地球化学分析实 验室完成,仪器型号为SPECTRO ARCOS SOP等离子体发射光谱仪(ICP_AES),误差范围为± 5%。
(1) 石膏: 灰白色,岩芯较为坚硬致密,粒状结构,块状构造,半自形-他形,柱状和 不 规则细粒状,粒径为0.1~1 mm,局部石膏晶体呈纤维状聚晶,负低突起,最高干涉色为灰 白色或一级黄。
(2) 硬石膏: 白色、灰白色、灰色、绿灰色,粒状结构,致密块状或层状构造,半自形_ 他 形晶体,柱状或粒状,局部呈放射状(图3a),粒径<1 mm,正高突起,最高干涉色为二级 紫红和三级蓝绿。
(3) 石盐: 厚层石盐为白色、灰白色;有沥青浸入的石盐呈灰黑色,颗粒较大,断面有 玻 璃光泽;与光卤石互层的石盐为白色、灰白色、灰绿色。粒状结构,块状构造。薄片中为无 色透明,有的具有明显的立方体解理。晶体呈自形_他形粒状,自形晶为立方体,多以他形 为主,大小为0.05~15 mm,有的石盐晶体呈板状,解理完全(图3b)。
(4) 光卤石: 浅棕红色、棕红色和深棕红色,新鲜断口具有玻璃光泽,暴露在空气中很 快 变暗且具油脂光泽,断口不规则,为贝壳状或者参差状。多呈集合体形态,粒状结构,粒径 为5~30 mm,块状构造。薄片中为无色透明,晶体呈自形_他形粒状,自形 晶型呈桶状,晶 体大小为0.05~15 mm,负低突起,最高干涉色为二级红色和黄绿色,局部具有聚片双晶( 图3c)。
(5) 钾石盐: 含量较少,几乎不成层状,多以透明粗晶颗粒镶嵌在光卤石中(图4b)。 单晶体呈立方体,大小为0.05~0.4 mm,负高突起,正交偏光镜下全消光。
(6) 水氯镁石: 无色或浅黄色透明颗粒,玻璃光泽,断口参差,粒状结构,块状构造。 晶体呈针状(图4f),大小为0.2~0.8 mm,负低突起,最高干涉色为三级灰白。
(7) 溢晶石: 浅黄绿色,断面有玻璃光泽,粒状结构,块状构造,晶体呈细晶_粗晶粒状 (图3d),负低突起,干涉色为一级灰,解理清晰。
通过对该矿区盐类矿物的镜下观察,发现矿物共生组合关系主要有以下6种: ① 光卤石+ 石盐; ② 光卤石+钾石盐; ③ 光卤石+钾石盐+石盐; ④ 光卤石+溢晶石; ⑤ 光卤 石 +水氯镁石; ⑥ 石盐+水氯镁石。这6种共生关系表现出的特征为: 光卤石边缘成港湾 状,石盐填 充其缝隙(图4a);在溶蚀状态光卤石中发育立方体钾石盐晶体(图4b);光卤石、钾石盐 和石盐三者共生时,石盐交代光卤石,而且光卤石中发育呈窝状分布的钾石盐(图4c);光 卤石被溢晶石交代、包裹,且在溢晶石中又发育有珠状的光卤石(图4d);片状水氯镁石 发育在溶解的光卤石上(图4e);水氯镁石多呈针状分布在石盐缝隙中(图4f)。
根据岩芯地质编录、矿物鉴定结果和各离子的质量分数,推断出该钻孔的盐类矿物比较简 单,主要以石盐和光卤石为主(图2),质量分数分别高达95.20%和54.56%。Na+(高达 40.32%)主要赋存于石盐中;w(K+)(高达12.66%)和w(Mg2+)的变 化曲线基本一致,主要赋存于光卤石中,但在溢晶石层w(K+)较低,而w(Mg2 +)却达到最高值(高达8.47%);并且w(K+)和光卤石变化曲线一致。 该矿区碳酸盐和硫酸盐含量较少,在矿层的顶板和底板有少量的薄层硬石膏,Ca2+和 SO2-4的含量在此处较高,与 SO2-4不同的是,Ca2+含量在溢晶石层也较高,且在溢晶石层的w(Ca 2+)(高达6.82%)远高于硬石膏层。
对ZK142钻孔中的微量元素Br、Sr和B的分析结果(表1)表明,岩性为光卤石岩和石盐岩的 岩石中w(Sr)为0.0004%~0.0227%,w(B)在0.0004%~0.036%之间, w(Br)为0.0958%~0.4097%,可见Br含量较高。陈郁华(1983)在25℃恒温条件 下模拟海水蒸发,研究微量元素在盐类矿物中的分布规律,结果表明在石盐沉积→光卤石沉 积两个阶段之间,w(Br)为0.011%~0.208%,w(Sr)为0.0003%~0.003 5%。显然,本矿区石盐和光卤石的Br、Sr含量要比黄海海水蒸发析出的石盐和光卤石中的Br 、Sr含量高。表1中Br×103/Cl的变化范围为2.0~10.1,远高于林 耀庭(1995)给出的Br×103/Cl变化范围0.11~0.60,也高于黄海海水析 出光卤石时的溴氯系数。而且由于该钻孔岩石及矿物的微量元素含量都较高,矿层中 基本不含 黏土,不存在黏土对微量元素吸附的问题。因此,根据Br、Sr和B的含量及溴氯系数,可以 确定该钾盐矿的成盐物质主要来源于海水,而且较高的溴氯系数和罕见盐类矿物溢晶石的 发现,说明该矿区盐类矿物沉积时,卤水浓缩程度已经很高。
将南加蓬、刚果、安哥拉的盐层剖面横向进行对比分析(Ruiter, 1979)(图5),安哥拉 沉积相对较多的碳酸盐和硫酸盐,但刚果和南加蓬沉积的却很少,根据溴氯系数(表1), 当时盐 类沉积时刚果(布)的海水已达到高度浓缩的程度。这说明海水在流经安哥拉到达刚果(布 )时,碳酸盐和硫酸盐的沉积阶段已基本结束,而直接沉积氯化物型盐类矿物。
观察刚果(布)布谷马西钾盐矿南矿段ZK142钻孔岩芯样品,发现钾石盐多呈透明粗晶状镶 嵌在光卤石中(图6)。扫描电镜下,在溶蚀的光卤石中发育有立方体钾石盐(图7 a)和片状水氯镁石(图7b),通过标准光卤石与溶蚀光卤石波谱图的对比(图8),发现溶 蚀状态下的光卤石处在向钾石盐过渡的状态,具有高K低Mg的特征,而脱离出来MgCl2则 重结晶形 成水氯镁石。此外,根据盐湖利用卤水淡咸交替的变化规律(曹养同等,2010),对ZK142 钻孔的地层进行沉积韵律的划分和分析(图2)。该矿区白垩纪经历多次不同规模盐类沉积 韵律,每次韵律较淡的卤水与早期沉积的光卤石接触,使光卤石受到淋滤作用。Wardlaw(1 968)在研 究 钾石盐和光卤石的关系曾提出,钾石盐除了随卤水蒸发析出外,还
可以由光卤石淋滤形成。布 谷马西钾盐矿区得到高浓度卤水的补给(图5),由于赤道的高温气候,卤水会迅速进入析 钾阶 段,因此,缺失碳酸盐和硫酸盐。但在沉积钾盐过程中,卤水频繁的浓_淡交替补给,造成 光 卤石岩和石盐岩交替沉积,而该区域钾石盐含量较少,不成层状分布,仅出现在局部位置较 高的地段,这可能正是由海浸引起的淡化作用造成的光卤石淋滤的结果。
综上分析,根据矿物组合关系、沉积韵律划分及盐类矿物的交代关系,ZK142钻孔盐类矿物 的沉积顺序为:硬石膏→石盐→光卤石→钾石盐→溢晶石或水氯镁石。
(1) 刚果(布)布谷马西钾盐矿成钾物质主要来源于海水,矿床贫碳酸盐和硫酸盐与白垩 纪“方解石海”的海水成分密切相关。
(2) 根据盐类矿物鉴定及岩石地球化学方法,布谷马西钾盐矿的主要盐类矿物组合为硬石 膏、石盐、光卤石、钾石盐、溢晶石和水氯镁石,其盐类矿物沉积顺序为:硬石膏→石盐→ 光卤石→钾石盐→溢晶石或水氯镁石。
(3) 钾石盐是由光卤石淋滤形成,主要出现于地势较高的部位;光卤石分解出的MgCl2 结晶形成水氯镁石,局部呈片状分布于光卤石晶间。
志谢本文的室内分析工作得取了宣之强高级工程师和胡宇飞实习研究员的悉心 指导, 在论文撰写过程中,赵艳军副研究员、孙小虹高级工程师、伯英、王春连和张华助理研究员 提供了许多宝贵建议和帮助,野外采样得到中航资源刚果(布)公司领导及职工的大力支持, 在此表示诚挚的谢意!
前人对刚果盆地盐类矿物特征以及矿床成因进行过研究(Ruiter,1979;曲懿华,1982;曲 懿华等,1994;宫述林,2012;栾元滇,2012)。本文在前人研究的基础上,通过对刚果( 布)布谷马西钾盐矿ZK142钻孔的盐类矿物特征和岩石地球化学特征分析,与前人研究成果 对比,进一步梳理盐类矿物特征,在此基础上对矿床成因进行分析,为今后的开发和勘探钾 石盐矿层提供更多的科学依据。
1研究区地质背景
刚果钾盐盆地为非洲大陆西岸重要的早白垩世钾盐沉积盆地之一,其形成演化被认为与非洲 和南美大陆中生代晚期的分裂有关(Uchupi, 1989)。刚果钾盐盆地西南部的刚果(布)布 谷马西钾 盐矿区是大西洋东岸巨型含盐盆地(Lehner et al., 1977)的一部分,其形成大致经历了3个 阶段:(1) 前裂谷沉积时期,西非构造稳定,以隆升剥蚀作用为主,局部接受拗陷型沉积,盆地 发育三叠系—中侏罗统(T—J2)的陆相碎屑岩沉积,属于可可毕其(Cocobeach)群;
(2) 裂谷沉积时期,从南到北形成一系列裂陷盆地,盆地内发育北西向断裂和断陷,沉积 相从河流相沉积过渡到厚层湖相三角洲及页岩沉积;
(3) 后裂谷沉积时期,裂陷盆地准平原化,在阿普特期沿大陆边缘逐渐下沉,盆地与海水 有了联系,在陆相和海陆相过渡地层之上形成巨厚的海相蒸发岩沉积,形成刚果钾盐盆地( Ruiter, 1979;曲懿华等,1994;刘剑平等,2007;刘祚冬等,2009)。
布谷马西钾盐矿地理范围为东经11°49′32.8″~11°57′36″,南纬4°21′46.66″~ 4°31′43″,面积为141 km2。区域内出露地层有古元古界、中元古界、白垩系、新近系 、第四系,ZK142钻孔位于矿区南部(图1)。白垩系阿普特阶含盐类沉 积序列自下而上表现为:基底硬石膏层—下盐层(石盐—石盐与光卤石互层—溢晶石)—中 盐层(石盐—石盐与光卤石互层—石盐—石盐与光卤石互层—溢晶石)—上盐层(石盐—石 盐与光卤石互层_石盐)—顶板硬石膏层(图2),构成完整的蒸发岩沉积韵律。根据沉积韵 律的划分原则,布谷马西钾盐矿ZK142钻孔划分出7个三级沉积韵律、3个二级和1个一级沉积 韵律(图2 ),Ⅱ1沉积韵律为硬石膏(微咸)→石盐(咸)→光卤石(超咸)→溢晶石(巨咸), Ⅱ2沉积韵律为石盐(咸)→光卤石(超咸)→石盐(咸)→光卤石(超咸)→溢晶石( 巨咸),Ⅱ3沉积韵律为石盐(咸)→光卤石(超咸)→石盐(咸)→光卤石(超咸)→ 石盐(咸)→硬 石膏(微咸)→碎屑岩(淡);Ⅲ1沉积韵律为硬石膏(微咸)→石盐(咸)→光卤石( 超 咸),Ⅲ2沉积韵律为石盐(咸)→光卤石(超咸)→溢晶石(巨咸),Ⅲ3沉积韵律为 石盐(咸)→光卤石(超咸),Ⅲ4沉积韵律为石盐(咸)→光卤石(超咸)→溢晶石( 巨咸),Ⅲ5沉积韵律为石盐(咸)→光卤石(超咸),Ⅲ6沉积韵律为石盐(咸)→光 卤石(超咸),Ⅲ7沉积韵律为石盐(咸)→硬石膏(微咸)→碎屑岩(淡)。
2研究方法
本文样品来自刚果(布)布谷马西钾盐矿南矿段ZK142钻孔之岩芯,样品测定与研究方法包 括盐类矿物的X射线衍射、薄片鉴定、扫描电镜和化学分析。将岩芯柱沿直径切割,一分为二,采集不同岩性交接处的样品,将样品磨至粒度为200目的 粉末。在北达燕园微构分析测试中心完成粉末X射线分析,仪器型号为日本理学G/max/RA12 KW 旋转阳极X射线衍射仪,测试条件:电压为40 kV,电流为100 mA,转靶Cu靶,扫描角度2θ 为3~70°,扫描步长为8°/min,采样步宽0.02°,扫描方式为连续扫描,确定主要矿物 类型。
为保证扫描电镜分析结果的准确性,制样时选取代表性强的样品,分析断面新鲜且保持原始 较平坦状态;然后,将选好的大小约4~6 mm样品用导电性好的粘合剂粘在薄片上并喷碳。 由 中国地质科学院地质所完成扫描电镜(SEM)和能谱(EDS)分析,扫描电镜为日本电子公司 (JEOL)JSM-5610LV型,电子束电压20 kV,焦距20 mm,束斑大小41 nm;EDS能谱采用的 是英国牛津公司(OXFORD)INCA软件包版本4.4。
将样品研磨至约200目的粉末,碳酸盐和石膏岩采用酸溶法,称取1 g样品放入烧杯中,然后 加入5% 稀盐酸10 ml加热至沸腾,在加热板上120℃保 温2小时,最后定容至100 ml;石盐和光卤石采用水溶法,称取1 g样品放入烧杯中,最后定容至100 ml。 由中国地质科学院矿产资源研究所地球化学分析实 验室完成,仪器型号为SPECTRO ARCOS SOP等离子体发射光谱仪(ICP_AES),误差范围为± 5%。
|
图 1研究区地质简图及钻孔位置(据山东省地矿工程勘察院,2015) 1—花岗岩; 2—白垩系; 3—中元古界; 4—新近系—全新统; 5—古元古界; 6—全新 统; 7—水体; 8—原有矿区 Fig. 1Simplified geological map of the study area and location of the drill ho le (after Shandong Provincial Geo_mineral Engineering Exploration Institute, 2 015) 1—Granite; 2—Cretaceous; 3—Mesoproterozoic; 4—Neogene-Holocene; 5—Pale oproterozoic; 6—Holocene; 7—Water; 8—Original mining area |
|
图 2布谷马西钾盐矿ZK142钻孔剖面综合柱状图 Fig. 2Comprehensive columnar section of ZK142 drill hole in the Mboukoumassi p otash deposit3结果与分析 |
3.1盐类矿物组成
刚果(布)布谷马西钾盐矿的主要盐类矿物有石膏、硬石膏、石盐、光卤石、钾石盐、水氯 镁石、溢晶石。(1) 石膏: 灰白色,岩芯较为坚硬致密,粒状结构,块状构造,半自形-他形,柱状和 不 规则细粒状,粒径为0.1~1 mm,局部石膏晶体呈纤维状聚晶,负低突起,最高干涉色为灰 白色或一级黄。
(2) 硬石膏: 白色、灰白色、灰色、绿灰色,粒状结构,致密块状或层状构造,半自形_ 他 形晶体,柱状或粒状,局部呈放射状(图3a),粒径<1 mm,正高突起,最高干涉色为二级 紫红和三级蓝绿。
(3) 石盐: 厚层石盐为白色、灰白色;有沥青浸入的石盐呈灰黑色,颗粒较大,断面有 玻 璃光泽;与光卤石互层的石盐为白色、灰白色、灰绿色。粒状结构,块状构造。薄片中为无 色透明,有的具有明显的立方体解理。晶体呈自形_他形粒状,自形晶为立方体,多以他形 为主,大小为0.05~15 mm,有的石盐晶体呈板状,解理完全(图3b)。
(4) 光卤石: 浅棕红色、棕红色和深棕红色,新鲜断口具有玻璃光泽,暴露在空气中很 快 变暗且具油脂光泽,断口不规则,为贝壳状或者参差状。多呈集合体形态,粒状结构,粒径 为5~30 mm,块状构造。薄片中为无色透明,晶体呈自形_他形粒状,自形 晶型呈桶状,晶 体大小为0.05~15 mm,负低突起,最高干涉色为二级红色和黄绿色,局部具有聚片双晶( 图3c)。
|
图 3布谷马西钾盐矿盐类矿物特征 a. 硬石膏呈放射状排列(+); b. 解理完全的石盐(-); c. 光卤石(Car)具有聚片双晶(+) ; d. 解理清晰的溢晶石(Tac)(+) Fig. 3Mineral characteristics of potash salt in the Mboukoumassi potash salt d eposit a. Anhydrite in radial arrangement (+); b. Halite exhibiting complete cleavage (-); c. Carnallite (Car) exhibiting polysynthetic twin (+); d. Tachydrite exhi biting clear cleavage (Tac) (+) |
(6) 水氯镁石: 无色或浅黄色透明颗粒,玻璃光泽,断口参差,粒状结构,块状构造。 晶体呈针状(图4f),大小为0.2~0.8 mm,负低突起,最高干涉色为三级灰白。
(7) 溢晶石: 浅黄绿色,断面有玻璃光泽,粒状结构,块状构造,晶体呈细晶_粗晶粒状 (图3d),负低突起,干涉色为一级灰,解理清晰。
通过对该矿区盐类矿物的镜下观察,发现矿物共生组合关系主要有以下6种: ① 光卤石+ 石盐; ② 光卤石+钾石盐; ③ 光卤石+钾石盐+石盐; ④ 光卤石+溢晶石; ⑤ 光卤 石 +水氯镁石; ⑥ 石盐+水氯镁石。这6种共生关系表现出的特征为: 光卤石边缘成港湾 状,石盐填 充其缝隙(图4a);在溶蚀状态光卤石中发育立方体钾石盐晶体(图4b);光卤石、钾石盐 和石盐三者共生时,石盐交代光卤石,而且光卤石中发育呈窝状分布的钾石盐(图4c);光 卤石被溢晶石交代、包裹,且在溢晶石中又发育有珠状的光卤石(图4d);片状水氯镁石 发育在溶解的光卤石上(图4e);水氯镁石多呈针状分布在石盐缝隙中(图4f)。
3.2地球化学分析
刚果(布)布谷马西钾盐矿南矿段钻孔ZK142孔深为798.74 m,对其岩芯样品进行岩石地球 化学研究,表明钻孔地层发育完整,具有代表性,因此选择该钻孔为蒸发岩岩石地球化 学特征的研究对象,共采集到224个地球化学样品。根据岩芯地质编录、矿物鉴定结果和各离子的质量分数,推断出该钻孔的盐类矿物比较简 单,主要以石盐和光卤石为主(图2),质量分数分别高达95.20%和54.56%。Na+(高达 40.32%)主要赋存于石盐中;w(K+)(高达12.66%)和w(Mg2+)的变 化曲线基本一致,主要赋存于光卤石中,但在溢晶石层w(K+)较低,而w(Mg2 +)却达到最高值(高达8.47%);并且w(K+)和光卤石变化曲线一致。 该矿区碳酸盐和硫酸盐含量较少,在矿层的顶板和底板有少量的薄层硬石膏,Ca2+和 SO2-4的含量在此处较高,与 SO2-4不同的是,Ca2+含量在溢晶石层也较高,且在溢晶石层的w(Ca 2+)(高达6.82%)远高于硬石膏层。
对ZK142钻孔中的微量元素Br、Sr和B的分析结果(表1)表明,岩性为光卤石岩和石盐岩的 岩石中w(Sr)为0.0004%~0.0227%,w(B)在0.0004%~0.036%之间, w(Br)为0.0958%~0.4097%,可见Br含量较高。陈郁华(1983)在25℃恒温条件 下模拟海水蒸发,研究微量元素在盐类矿物中的分布规律,结果表明在石盐沉积→光卤石沉 积两个阶段之间,w(Br)为0.011%~0.208%,w(Sr)为0.0003%~0.003 5%。显然,本矿区石盐和光卤石的Br、Sr含量要比黄海海水蒸发析出的石盐和光卤石中的Br 、Sr含量高。表1中Br×103/Cl的变化范围为2.0~10.1,远高于林 耀庭(1995)给出的Br×103/Cl变化范围0.11~0.60,也高于黄海海水析 出光卤石时的溴氯系数。而且由于该钻孔岩石及矿物的微量元素含量都较高,矿层中 基本不含 黏土,不存在黏土对微量元素吸附的问题。因此,根据Br、Sr和B的含量及溴氯系数,可以 确定该钾盐矿的成盐物质主要来源于海水,而且较高的溴氯系数和罕见盐类矿物溢晶石的 发现,说明该矿区盐类矿物沉积时,卤水浓缩程度已经很高。
4讨论
布谷马西钾盐矿床属于光卤石型钾盐矿,根据Br和Sr的含量及溴氯系数分析,确定该钾盐矿 的成盐物质来源为海水。Hardie(1996)认为大洋中脊热液流体组分的改变会对海水的主要组 分产生长期影响。海水经历了Ca2+相对较高、SO2-4相对较低的“方解石海 ” 时期和Ca2+相对较低SO2-4相对较高的“文石海”时期(Sandberg P A. 1983 ;孟凡巍等,2012)。Lowenstein(2001)研究发现,全球海水在白垩纪时期处于“方解石 海”,而刚果钾盐矿正是在此时期发育而成的(Ruiter, 1979),因此,高Ca2+低SO 2-4的海水成分在该钾盐矿以氯化物为主、缺失碳酸盐和硫酸盐的形成过程中起到 了关键作用。将南加蓬、刚果、安哥拉的盐层剖面横向进行对比分析(Ruiter, 1979)(图5),安哥拉 沉积相对较多的碳酸盐和硫酸盐,但刚果和南加蓬沉积的却很少,根据溴氯系数(表1), 当时盐 类沉积时刚果(布)的海水已达到高度浓缩的程度。这说明海水在流经安哥拉到达刚果(布 )时,碳酸盐和硫酸盐的沉积阶段已基本结束,而直接沉积氯化物型盐类矿物。
|
图 4布谷马西钾盐矿盐类矿物共生组合特征 a. 光卤石(Car)被石盐(Hal)交代,边缘被溶蚀成港湾状(+); b. 立方体的钾石盐(Syl )与光卤石(Car)共生; c. 光卤石(Car)、钾石盐(Syl)和石盐(Hal)三者共生; d. 光卤 石(Car)被溢晶石(Tac)包裹(+); e. 片状水氯镁石(Bis)发育在溶蚀光卤石上(Car); f. 针状水氯镁石(Bis)与 石盐(Hal)共生(+) Fig. 4Paragenetic association characteristics of mineral salt in the Mboukouma ssi potash salt deposit a. Carnallite replaced by halite, with the edge dissolved into a harbor (+); b. Association of cubic sylvite and carnallite; c. Association of carnallite, sylvi te and halitep; d. Carnallite surrounded by tachydrite (+); e. Schistose bischof ite developed on dissolved carnallite; f. Association of nee_ dle bischof ite and halite (+) |
|
表 1ZK142钻孔中微量元素组成 Table 1Trace element composition in ZK142 drilling |
|
图 5加蓬、刚果、安哥拉盐剖面对比图(引自Ruiter, 1979) Fig. 5Comparison of salt profiles in Gabon, Congo and Angola (after Ruiter, 19 79) |
|
图 6钾盐镶嵌在光卤石中的岩芯特征 a. 透明粗晶颗粒状钾石盐(Syl)镶嵌在光卤石(Car)中; b. 透明粗晶钾石盐加入亚硝酸铜 铅钠生成黑色亚硝酸铜铅钾晶体 Fig. 6The features of core embedded in sylvite in carnallite a. Transparent coarse_grained granular sylvite (Syl) embedded in carnallite (Ca r); b. Coppe r nitrate sodium lead added to transparent coarse_grained sylvite to form blac k copper nitrate potassium lead crystal |
|
图 7钾石盐和水氯镁石电镜扫描结果 a. 溶蚀光卤石(Car)上发育有细小立方体钾石盐(Syl),基底为硬石膏(Anh); b. 片状 水氯镁石(Bis) Fig. 7The scanning electron microscope results of sylvite and bischofite a. Cubic tiny sylvite developed on dissolved carnallite; b. Schistose bischofite |
|
图 8光卤石标准波谱图与溶蚀光卤石波谱图对比 Fig. 8Carnallitite standard spectrum atlas and dissolution spectra of carnalli te |
综上分析,根据矿物组合关系、沉积韵律划分及盐类矿物的交代关系,ZK142钻孔盐类矿物 的沉积顺序为:硬石膏→石盐→光卤石→钾石盐→溢晶石或水氯镁石。
5结论
通过对刚果(布)布谷马西钾盐矿床盐类矿物特征与成因的探讨,获得以下认识: (1) 刚果(布)布谷马西钾盐矿成钾物质主要来源于海水,矿床贫碳酸盐和硫酸盐与白垩 纪“方解石海”的海水成分密切相关。
(2) 根据盐类矿物鉴定及岩石地球化学方法,布谷马西钾盐矿的主要盐类矿物组合为硬石 膏、石盐、光卤石、钾石盐、溢晶石和水氯镁石,其盐类矿物沉积顺序为:硬石膏→石盐→ 光卤石→钾石盐→溢晶石或水氯镁石。
(3) 钾石盐是由光卤石淋滤形成,主要出现于地势较高的部位;光卤石分解出的MgCl2 结晶形成水氯镁石,局部呈片状分布于光卤石晶间。
志谢本文的室内分析工作得取了宣之强高级工程师和胡宇飞实习研究员的悉心 指导, 在论文撰写过程中,赵艳军副研究员、孙小虹高级工程师、伯英、王春连和张华助理研究员 提供了许多宝贵建议和帮助,野外采样得到中航资源刚果(布)公司领导及职工的大力支持, 在此表示诚挚的谢意!
参考文献
Cao Y T, Liu C L, Yang H J, Gu Q Y, Jiao P C and Lu Y H. 2010. Identific ation an d correlation of the paleogene and neogene evaporites sedimentary cycles in Kuqa basin, Xinjiang[J]. Journal of Palaeogeography, 12(1): 31_41(in Chinese with English abstract).
Cao Y, Zheng H Y, Yao M J, Zhang X, Sun X H and Tang Y. 2015. Discussion on dist ribution characteristics and prospecting strategy regionalization of global pota sh resources[J]. Inorganic Chemicals Industry, 6(6): 775_780(in Chinese with English abstract).
Chen Y H. 1983. Sequence of salt separation and regularity of some trace element s distribution during isothermal evaporation (25℃) of the huanghai sea water[J ]. Acta Geological Sinica, (4): 379_ 390(in Chinese with English abstract).
Gong S L. 2012. Approach to depositional feature of potash deposits in Congo and its origin[J]. Industrial Minerals & Processing, (10):39_42(in Chinese with English abstract).
Hardie L A. 1996. Secular variation in seawater chemistry: An explanation for th e coupled secular variation in the mineralogist of marine limestone and potash e vaporates over the past 600 m.y.[J]. Geology, 24(3): 279_283.
Lehner P and Ruiter P A C D. 1977. Structural history of the Atlantic margin of Africa: Am[J]. Assoc. Petroleum Geologists Bull, 61: 961_981.
Liu C L. 2013. Characteristics and formation of potash deposits in continental r ift basins: A review[J]. Acta Geoscientica Sinica, 34(5): 515_527(in Chinese with English abstract).
Liu J P, Pan X H and Ma J. 2007. Geological characteristics and oil_gas signific ance of Namibia Basin, south of Walvis Ridge on passive continental margin of we st Africa as compared with basins in the north[J]. China Petroleum Explora tion, 12(4): 67_74(in Chinese with English abstract).
Liu Z D and Li J D. 2009. Tectonic evolution and petroleum geology characteristi cs of petroliferous salt basins area along passive continental margin, west Afri ca[J]. Marine Origin Petroleum Geology, 14(3): 46_52(in Chinese with English abstract).
Lowenstein T K, Timofeeff M N, Brennan S T, et al. 2001. Oscillations in Phanero zoic seawater chemistry: Evidence from fluid inclusions[J]. Science, 294: 1086 _1088.
Luan Y D, Gong S L and Yue W J. 2012. Formation cause analysis of potash ore in western coastal areas in Congo[J]. Industrial Minerals & Processing, (6): 20_2 2(in Chinese with English abstract).
Meng F W, Liu C L and N P. 2012. To forecast sylvite deposits using the chemistr y of fluid inclusions in halite[J]. Acta Micropalaeontologica Sinica, 29(1): 6 2_69(in Chinese with English abstract).
Qu Y H. 1982. Deep brines_A new origin of potash deposits[J]. Journal of Miner alogy and Petrology, (1): 7_14(in Chinese with English abstract).
Qu Y H and Qian Z Q. 1994. Potassium salt deposit[M]. Beijing: Geological Publ ishing House (in Chinese).
Ruiter P A C D. 1979. The Gabon and Congo basins salt deposits[J]. Econ. Geol. , 74: 419_431.
Sandberg P A. 1983. A oscillating trend in Phanerozoic non_skeletal carbonate mi neralogy[J]. Nature, 305:19_22.
Shandong Geological Engineering Investigation Institute. 2015. The Republic of C ongo province Kouilou cuckoo Ma Xi area in southern ore section of potash mine e xploration report [R].(in Chinese).
Uchupi E. 1989. The tectonic style of the Atlantic Mesozoic rift system[J]. Journal of African Earth Sciences, 8(2_4): 143_164.
Wardlaw N C. 1968. Carnallite_sylvite relationships in the Middle Devonian Prair ie evaporite formation, Saskatchewan[J]. Geol. Soc. Am. Bull., 79: 1273_1294.
附中文参考文献
曹养同, 刘成林, 杨海军, 顾乔元, 焦鹏程, 卢玉红. 2010.新疆库车盆地古近系 —新近系蒸发岩沉积旋回识别及对比[J].古地理学报, 12(1):31_41.
曹烨, 郑厚义, 要梅娟, 张新, 孙小虹, 唐尧. 2015. 世界钾盐资源成矿区带划分初步研究 [J]. 矿产勘查, 6(6): 775_780.
陈郁华. 1983. 黄海水25℃恒温蒸发时的析盐序列及某些微量元素的分布规律[J]. 地质 学报, (4): 379_ 390.
宫述林. 2012. 刚果盆地钾盐矿床沉积特征及成因探讨[J]. 化工矿物与加工, (10):39_ 42.
林耀庭. 1995. 溴的地球化学习性及其在四川找钾工作中的应用[J]. 化工矿产质, 1 7(3): 175_181.
刘成林. 2013. 大陆裂谷盆地钾盐矿床特征与成矿作用[J]. 地球学报, 34(5): 515_527.
刘剑平, 潘校华, 马君. 2007.西非被动大陆边缘Walvis Ridge以南纳米比亚盆地的地质特 征及油气意义——兼与Walvis Ridge以北盆地比较[J]. 中国石油勘探, 12(4): 67_74.
刘祚冬, 李江海. 2009. 西非被动大陆边缘含油气盐盆地构造背景及油气地质特征分析[J ]. 海相油气地质, 14(3): 46_52.
栾元滇,宫述林,岳维佳. 2012. 刚果共和国西部沿海一带钾盐矿成因分析[J]. 化工矿 物与加工,(6): 20_22.
孟凡巍, 刘成林, 倪培. 2012. 全球古海水化学演化与世界主要海相钾盐沉积关系暨中国海 相成钾探讨[J].微体古生物学报, 29(1): 62_69.
曲懿华, 钱自强. 1994. 钾盐矿床[M]. 北京: 地质出版社.
曲懿华. 1982. 钾盐矿床母液来源的新途径——深卤补给[J]. 矿物岩石, (1): 7_14.
山东省地矿工程勘察院. 2015. 刚果共和国奎卢省布谷马西矿区南部矿段钾盐矿勘探报告[ R].
Cao Y, Zheng H Y, Yao M J, Zhang X, Sun X H and Tang Y. 2015. Discussion on dist ribution characteristics and prospecting strategy regionalization of global pota sh resources[J]. Inorganic Chemicals Industry, 6(6): 775_780(in Chinese with English abstract).
Chen Y H. 1983. Sequence of salt separation and regularity of some trace element s distribution during isothermal evaporation (25℃) of the huanghai sea water[J ]. Acta Geological Sinica, (4): 379_ 390(in Chinese with English abstract).
Gong S L. 2012. Approach to depositional feature of potash deposits in Congo and its origin[J]. Industrial Minerals & Processing, (10):39_42(in Chinese with English abstract).
Hardie L A. 1996. Secular variation in seawater chemistry: An explanation for th e coupled secular variation in the mineralogist of marine limestone and potash e vaporates over the past 600 m.y.[J]. Geology, 24(3): 279_283.
Lehner P and Ruiter P A C D. 1977. Structural history of the Atlantic margin of Africa: Am[J]. Assoc. Petroleum Geologists Bull, 61: 961_981.
Liu C L. 2013. Characteristics and formation of potash deposits in continental r ift basins: A review[J]. Acta Geoscientica Sinica, 34(5): 515_527(in Chinese with English abstract).
Liu J P, Pan X H and Ma J. 2007. Geological characteristics and oil_gas signific ance of Namibia Basin, south of Walvis Ridge on passive continental margin of we st Africa as compared with basins in the north[J]. China Petroleum Explora tion, 12(4): 67_74(in Chinese with English abstract).
Liu Z D and Li J D. 2009. Tectonic evolution and petroleum geology characteristi cs of petroliferous salt basins area along passive continental margin, west Afri ca[J]. Marine Origin Petroleum Geology, 14(3): 46_52(in Chinese with English abstract).
Lowenstein T K, Timofeeff M N, Brennan S T, et al. 2001. Oscillations in Phanero zoic seawater chemistry: Evidence from fluid inclusions[J]. Science, 294: 1086 _1088.
Luan Y D, Gong S L and Yue W J. 2012. Formation cause analysis of potash ore in western coastal areas in Congo[J]. Industrial Minerals & Processing, (6): 20_2 2(in Chinese with English abstract).
Meng F W, Liu C L and N P. 2012. To forecast sylvite deposits using the chemistr y of fluid inclusions in halite[J]. Acta Micropalaeontologica Sinica, 29(1): 6 2_69(in Chinese with English abstract).
Qu Y H. 1982. Deep brines_A new origin of potash deposits[J]. Journal of Miner alogy and Petrology, (1): 7_14(in Chinese with English abstract).
Qu Y H and Qian Z Q. 1994. Potassium salt deposit[M]. Beijing: Geological Publ ishing House (in Chinese).
Ruiter P A C D. 1979. The Gabon and Congo basins salt deposits[J]. Econ. Geol. , 74: 419_431.
Sandberg P A. 1983. A oscillating trend in Phanerozoic non_skeletal carbonate mi neralogy[J]. Nature, 305:19_22.
Shandong Geological Engineering Investigation Institute. 2015. The Republic of C ongo province Kouilou cuckoo Ma Xi area in southern ore section of potash mine e xploration report [R].(in Chinese).
Uchupi E. 1989. The tectonic style of the Atlantic Mesozoic rift system[J]. Journal of African Earth Sciences, 8(2_4): 143_164.
Wardlaw N C. 1968. Carnallite_sylvite relationships in the Middle Devonian Prair ie evaporite formation, Saskatchewan[J]. Geol. Soc. Am. Bull., 79: 1273_1294.
附中文参考文献
曹养同, 刘成林, 杨海军, 顾乔元, 焦鹏程, 卢玉红. 2010.新疆库车盆地古近系 —新近系蒸发岩沉积旋回识别及对比[J].古地理学报, 12(1):31_41.
曹烨, 郑厚义, 要梅娟, 张新, 孙小虹, 唐尧. 2015. 世界钾盐资源成矿区带划分初步研究 [J]. 矿产勘查, 6(6): 775_780.
陈郁华. 1983. 黄海水25℃恒温蒸发时的析盐序列及某些微量元素的分布规律[J]. 地质 学报, (4): 379_ 390.
宫述林. 2012. 刚果盆地钾盐矿床沉积特征及成因探讨[J]. 化工矿物与加工, (10):39_ 42.
林耀庭. 1995. 溴的地球化学习性及其在四川找钾工作中的应用[J]. 化工矿产质, 1 7(3): 175_181.
刘成林. 2013. 大陆裂谷盆地钾盐矿床特征与成矿作用[J]. 地球学报, 34(5): 515_527.
刘剑平, 潘校华, 马君. 2007.西非被动大陆边缘Walvis Ridge以南纳米比亚盆地的地质特 征及油气意义——兼与Walvis Ridge以北盆地比较[J]. 中国石油勘探, 12(4): 67_74.
刘祚冬, 李江海. 2009. 西非被动大陆边缘含油气盐盆地构造背景及油气地质特征分析[J ]. 海相油气地质, 14(3): 46_52.
栾元滇,宫述林,岳维佳. 2012. 刚果共和国西部沿海一带钾盐矿成因分析[J]. 化工矿 物与加工,(6): 20_22.
孟凡巍, 刘成林, 倪培. 2012. 全球古海水化学演化与世界主要海相钾盐沉积关系暨中国海 相成钾探讨[J].微体古生物学报, 29(1): 62_69.
曲懿华, 钱自强. 1994. 钾盐矿床[M]. 北京: 地质出版社.
曲懿华. 1982. 钾盐矿床母液来源的新途径——深卤补给[J]. 矿物岩石, (1): 7_14.
山东省地矿工程勘察院. 2015. 刚果共和国奎卢省布谷马西矿区南部矿段钾盐矿勘探报告[ R].
范美玲,刘成林,焦鹏程,徐海明,曹养同.2016.刚果(布)布谷马西钾盐矿床盐类矿物特征与成因研究[J].矿床地质,35(6):1257~1268